パロットカップリング継っ手
[ステンレス製]SUS304・316/40A〜150A
![パロットカップリング継っ手[ステンレス製]](/wp_files/wp-content/uploads/products_mainimg_ss.jpg)
商品タイプ別サイズ表
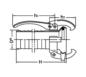
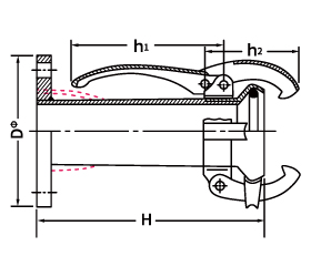
ホースニップルタイプ
MN ホースニップルタイプ雌

| D | H | h1 | h2 | 重量 | |
|---|---|---|---|---|---|
| MN 50×38 | 38.1 | 176 | 130 | 90 | 1.0 |
| 50×50 | 52 | 179 | 130 | 90 | 1.1 |
| 70×65 | 63.5 | 192 | 150 | 110 | 1.8 |
| 89×75 | 76.3 | 215 | 175 | 126 | 3.2 |
| 108×100 | 101.6 | 240 | 212 | 143 | 4.7 |
| 133×125 | 129 | 264 | 212 | 143 | 7.7 |
| 159×150 | 154 | 292 | 212 | 143 | 9.6 |
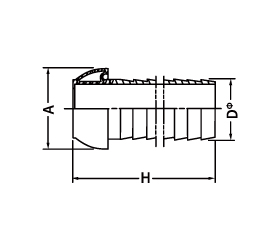
VN ホースニップルタイプ雄

| D | H | A | 重量 | |
|---|---|---|---|---|
| VN 50×38 | 38.1 | 155 | 7 | 0.5 |
| 50×50 | 52 | 155 | 75 | 0.6 |
| 70×65 | 63.5 | 165 | 100 | 0.9 |
| 89×75 | 76.3 | 185 | 134 | 1.8 |
| 108×100 | 101.6 | 206 | 157 | 2.3 |
| 133×125 | 129 | 227 | 177 | 3.7 |
| 159×150 | 154 | 255 | 210 | 4.8 |
※本カタログの仕様は、製品の改良の為予告なく変更することがありますのでご了承ください。
ガス管・サニタリー管 溶接タイプ
MW ガス管・サニタリー管 溶接タイプ雌

| D | H | h1 | h2 | 重量 | ||
|---|---|---|---|---|---|---|
| 一般用 | サニタ リー用 |
|||||
| MW 50×11/2 | 48.6 | 38.1 | 95 | 130 | 90 | 0.9 |
| 50×2 | 60.5 | 50.8 | 148 | 130 | 90 | 1.1 |
| 70×21/2 | 76.3 | 63.5 | 110 | 150 | 110 | 1.6 |
| 89×3 | 89.1 | 76.3 | 129 | 175 | 126 | 2.6 |
| 108×4 | 114.3 | 101.6 | 151 | 212 | 143 | 4.2 |
| 133×5 | 139.8 | 160 | 212 | 143 | 5.5 | |
| 159×6 | 165.3 | 175 | 212 | 143 | 7.5 | |
VW ガス管・サニタリー管 溶接タイプ雄

| D | H | A | 重量 | ||
|---|---|---|---|---|---|
| 一般用 | サニタ リー用 |
||||
| VW 50×11/2 | 48.6 | 38.1 | 73 | 75 | 0.4 |
| 50×2 | 60.5 | 50.8 | 126 | 75 | 0.6 |
| 70×21/2 | 76.3 | 63.5 | 95 | 100 | 0.8 |
| 89×3 | 89.1 | 76.3 | 109 | 134 | 1.1 |
| 108×4 | 114.3 | 101.6 | 118 | 157 | 2.1 |
| 133×5 | 139.8 | 130 | 177 | 2.6 | |
| 159×6 | 165.3 | 135 | 210 | 5.1 | |
※ご注意 2Bサイズのガス管溶接・ガスネジ・JIS10Kフランジタイプは、上記点線部のように 11/2Bから2Bへと拡大されており、異径になります。
※本カタログの仕様は、製品の改良の為予告なく変更することがありますのでご了承ください。
ガスネジ(PT)・サニタリーネジ(IDF)タイプ
MT ガスネジ(PT)・サニタリーネジ(IDF)タイプ雌

| R | H | h1 | h2 | 重量 | ||
|---|---|---|---|---|---|---|
| 一般用 | サニタ リー用 |
|||||
| MT 50×11/2 | 11/2” | 11/2” | 218 | 130 | 90 | 1.3 |
| 50×2 | 2” | 2” | 214 | 130 | 90 | 1.4 |
| 70×21/2 | 21/2” | 21/2” | 250 | 150 | 110 | 2.7 |
| 89×3 | 3” | 3” | 286 | 175 | 126 | 4.0 |
| 108×4 | 4” | 4” | 336 | 212 | 143 | 6.9 |
| 133×5 | 5” | 335 | 212 | 143 | 8.4 | |
| 159×6 | 6” | 330 | 212 | 143 | – | |
VT ガスネジ(PT)・サニタリーネジ(IDF)タイプ雄

| R | H | A | 重量 | ||
|---|---|---|---|---|---|
| 一般用 | サニタ リー用 |
||||
| VT 50×11/2 | 11/2” | 11/2” | 98 | 75 | 0.5 |
| 50×2 | 2” | 2” | 126 | 75 | 0.65 |
| 70×21/2 | 21/2” | 21/2” | 113 | 100 | 0.8 |
| 89×3 | 3” | 3” | 132 | 134 | 1.4 |
| 108×4 | 4” | 4” | 146 | 157 | 2.3 |
| 133×5 | 5” | 200 | 177 | 3.9 | |
| 159×6 | 6” | 197 | 210 | – | |
※ご注意 2Bサイズのガス管溶接・ガスネジ・JIS10Kフランジタイプは、上記点線部のように 11/2Bから2Bへと拡大されており、異径になります。
※本カタログの仕様は、製品の改良の為予告なく変更することがありますのでご了承ください。
JIS10Kフランジタイプ
MF JIS10Kフランジタイプ雌

| D | H | h1 | h2 | 重量 | |
|---|---|---|---|---|---|
| MF 50×11/2 | 140 | 215 | 130 | 90 | 2.9 |
| 50×2 | 155 | 215 | 130 | 90 | 3.2 |
| 70×21/2 | 175 | 245 | 150 | 110 | 5.3 |
| 89×3 | 185 | 284 | 175 | 126 | 6.1 |
| 108×4 | 210 | 334 | 212 | 143 | 10.2 |
| 133×5 | 250 | 323 | 212 | 143 | 13.4 |
| 159×6 | 280 | 336 | 212 | 143 | 17.7 |
VF JIS10Kフランジタイプ雄

| D | H | A | 重量 | |
|---|---|---|---|---|
| VF 50×11/2 | 140 | 125 | 75 | 2.1 |
| 50×2 | 155 | 133 | 75 | 2.5 |
| 70×21/2 | 175 | 140 | 100 | 3.8 |
| 89×3 | 185 | 141 | 134 | 4.0 |
| 108×4 | 210 | 160 | 157 | 5.9 |
| 133×5 | 250 | 183 | 177 | 8.6 |
| 159×6 | 280 | 183 | 210 | 11.5 |
※ご注意 2Bサイズのガス管溶接・ガスネジ・JIS10Kフランジタイプは、上記点線部のように 11/2Bから2Bへと拡大されており、異径になります。
※本カタログの仕様は、製品の改良の為予告なく変更することがありますのでご了承ください。

