継っ手用付属品継っ手で使える付属商品、Oリングやゴムキャップのご紹介
OR 継っ手用Oリング

| DΦ | T | |
|---|---|---|
| OR 50 | 85.2 | 12.5(11) |
| 70 | 110 | 11.5 |
| 89 | 139.2 | 18(13.8) |
| 108 | 158.5 | 17.8 |
| 133 | 189 | 22 |
| 159 | 223 | 21.5 |
| 216 | 305 | 24 |
- ●材質
-
天然ゴム(NR)
クロロプレンゴム(CR)
ニトリルゴム(NBR)
シリコンゴム(SI)
フッ素ゴム(FPM)
※標準はクロロプレンゴムです。
※()内はシリコン、フッ素ゴム寸法
※上記材質以外のゴム系材質希望の場合は弊社までお問い合わせください。
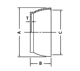
RMC ゴムキャップ(防塵用)

| A | B | C | T | |
|---|---|---|---|---|
| RMC 50 | 82 | 44 | 61 | 3 |
| 70 | 110 | 50 | 90 | 5 |
| 89 | 140 | 50 | 123 | 3 |
| 108 | 163 | 51 | 143 | 3 |
- ●材質
- クロロプレンゴム(CR)
※ご注意 ゴムキャップはオス用のみとなります。
安全ピン(チェーン付)
鉄&SUS
●2”、21/2”、3用
●4”、5”、6用
パロット抜け防止金具
鉄&SUS
●MN108x100 用
●MW108x100 用

